类别:FA元器件
全国咨询服务热线:0755-8376 0390 (10线)
KT4焕然一新
可视性、操作性、功能性均得以提升!
|
![]() |
![]() |
![]() |
UL/C-UL
、CE
已取得。
CE : EMC指令
UL : Recognition认证
把对于初始设定模式下实施控制所需要的必须设定项目、使用频率较高的项目、更改频率较高的设定项目归为一组,只要设定好这些内容即可开始执行控制。所以,初次设定更容易。
通过设定9个阶段的程序步,即可实施简易的程序控制。通过指定时间,分别设定目标,从而可实施任意的温度控制。
|
采样周期高达125ms,是以往产品的1/2倍。利用2倍的响应性,可对热容量较小的物体等进行控制。
配备有上升沿自调谐功能,仅利用一次性的升温动作,即可求出PID常数。无法利用自调谐求出常数的情况下,也可求出常数。
由于不执行ON/OFF动作,因此不会打乱控制方式。
|
用于温度检测的传感器(输入)部分可以对应任意“热电偶”、“热电阻”、“DC电流”、“DC电压”。
用前面键就可以进行所有操作。另外因为控制模式采用的是在一定的温度下进行稳定控制的“PID控制”,所以指示精度为各输入量程内±0.2%。
实现高性价比的实惠价格。
(系统构成图实例)
|
请在以下环境规格中使用本设备。(IEC 61010-1)
请在以下场合使用本设备。
| 圧接端子 | 厂商 | 型号 | 拧紧扭矩 |
|---|---|---|---|
| Y形 | NICHIFU端子 | 1.25Y-3 |
0.6N・m 最大1.0N・m |
| 日本压接端子 | VD1.25-B3A | ||
| 圆型 | NICHIFU端子 | 1.25-3 | |
| 日本压接端子 | V1.25-3 |
|
为满足IP66的防尘/防滴规格要求,请将本机器安装到无凹凸、具有刚性的平面上。
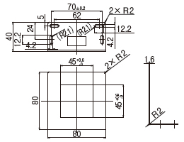
可安装的面板厚度: 1~5mm
| (1) | )请将本设备由控制板前方插入。 |
|---|---|
| (2) |
请插入本机器,直至安装支架的先端碰触到面板,然后使用螺钉拧紧。 螺钉的前端碰触到面板后,请将螺钉拧一圈,加以固定。 请将锁紧扭矩指定为0.15 N・m。 |
|
![]() |
|
|||||||||||||||||||||||||||||||||||||||||||||||
|
| POWER SUPPLY | : |
电源电压100~240V AC或24V AC/DC (24V AC/DC中为DC时,切勿弄错极性) |
|---|---|---|
| EV1 | : | 警报输出1 |
| EV2 | : | 警报输出2(可选项) |
| O1 | : | 控制输出1 |
| TC | : | 热电偶输入 |
| RTD | : | 测温电阻输入 |
| DC | : | 直流电压·直流电流输入 |
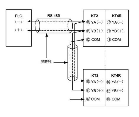
| RS-485 | : | 串行通信RS-485(可选项) |
|
AKT4H801(KT4H/KT4B/KT4R用)
|
AKW4822(KT4R/KT4H/KT4B用)
|
| 项目 | 规格 | ||||
|---|---|---|---|---|---|
| 尺寸 | 48mm×48mm | ||||
|
额 定 |
额定操作电压 (任选一个) |
100V AC~240V AC | |||
| 24V AC/DC | |||||
| 额定频率 | 50/60Hz | ||||
| 额定消耗功率 | 约8VA | ||||
|
额 定 刻 度 |
输入种类 | 输入范围 | |||
| 热电偶 | K | -200℃~1,370℃(-328℉~2,489℉) | |||
| -200.0℃~400.0℃(-328.0℉~752.0℉) | |||||
| J | -200℃~1,000℃(-328℉~1,832℉) | ||||
| R | 0℃~1,760℃(32℉~3,200℉) | ||||
| S | 0℃~1,760℃(32℉~3,200℉) | ||||
| B | 0℃~1,820℃(32℉~3,308℉) | ||||
| E | -200℃~800℃(-328℉~1,472℉) | ||||
| T | -200.0℃~400.0℃(-328.0℉~752.0℉) | ||||
| N | -200℃~1,300℃(-328℉~2,372℉) | ||||
| PL-II | 0℃~1,390℃(32℉~2,534℉) | ||||
|
C (W/Re5-26) |
0℃~2,315℃(32℉~4,199℉) | ||||
|
测温 电阻 |
Pt100 | -200℃~850℃(-328℉~1,562℉) | |||
| -200.0℃~850.0℃(-328.0℉~1,562.0℉) | |||||
| JPt100 | -200℃~500℃(-328℉~932℉) | ||||
| -200℃~500.0℃(-328.0℉~932.0℉) | |||||
|
直 流 |
电流 | 4mA DC~20mA DC |
-2,000~10,000 -200.0~1,000.0 -20.00~100.00 -2.000~10.000 |
||
| 0mA DC~20mA DC | |||||
| 电压 | 0V DC~1V DC | ||||
| 0V DC~10V DC | |||||
| 1V DC~5V DC | |||||
| 0V DC~5V DC | |||||
| ・直流电流、直流电压输入可缩放及改变小数点的位置。 | |||||
|
传 感 器 输 入 |
热电偶 |
K、J、R、S、B、E、T、N、PL-II、C(W/Re5-26) 外部电阻:100Ω以下(但但当B输入时,外部电阻为40Ω以下) |
|||
| 测温电阻 | Pt100、JPt100 3导线式(1条线所允许的输入导线电阻10Ω以下) | ||||
| 直流电流 | 0mA DC~20mA DC |
输入阻抗:50Ω 允许输入电流:50mA以下 |
|||
| 4mA DC~20mA DC | |||||
| 直流电压 | 0V DC~1V DC | 输入阻抗:1MΩ以以上、允许输入电压:5V以下、允许信号源电阻:2kΩ以下 | |||
| 0V DC~5V DC |
输入阻抗:100kΩ以上 允许输入电压:15V以下、允许信号源电阻100Ω以下 |
||||
| 1V DC~5V DC | |||||
| 0V DC~10V DC | |||||
|
控 制 输 出 |
继电器触点 | (任选一个) | 1a | ||
| 3A 250V AC(电阻负载)、1A 250V AC(誘感应负载cosø=0.4)、电气寿命:10万次 | |||||
|
无触点电压(SSD驱动用 电压输出) |
12+20V DC 最大负载电流40mA(附加短路保护电路) | ||||
| 直流电流 | 4~20mA DC 负载电阻:最大550Ω | ||||
| 报警输出1(EV1) |
继电器触点 1a 3A 250V AC(电阻负载)、1a 1A 250V AC(cosø=0.4) 电气寿命:10万次 |
||||
| 报警输出2(EV2) | 同于报警输出1 | ||||
| 控制方式 | PID动作(带自整定功能)、PI动作、PD动作(带手动复位功能)、P动作(带手动复位功能)、ON/OFF动作 | ||||
| 目标温度设定 | - | ||||
| 程序控制功能 |
1模式、可设置9步 (但,要选择定值控制或程序控制功能进行设定。) |
||||
|
指 示 精 度 |
热电偶 |
各输入量程±(0.2%+1Digit)以内或±2℃(4℉)以内的较大值 但是,R或S输入0℃~200℃(32℉~392℉)的范围为±6℃(12℉)以内 B输入0℃~300℃(32℉~572℉)的范围为精度保证范围外 K、J、E、T、N输入不到0℃(32℉)时为输入量程±(0.4%+1Digit)以内 |
|||
| 测温电阻 | 各输入量程±(0.1%+1デジット)以内或±1℃(2℉)以内的较大值 | ||||
| 直流电流、直流电压 | 各输入量程の±(0.2%+1Digit)以内 | ||||
| 采样周期 | 125ms | ||||
| 控制间隙(ON/OFF) |
热电偶、测温电阻:0.1℃~1,000.0℃(℉) 直流电流、直流电压:1~10,000(小小数点的位置根据小数点选择) |
||||
| 比例带 |
输入为无小数点时:0~输入量程 输入为时小数点有:0.0~输入量程 直流电流、直流电压时:0.0%~1,000.0% |
||||
| 积分时间 | 0秒~3,600秒 | ||||
| 微分时间 | 0秒~1,800秒 | ||||
| 比例周期 | 1秒~120秒 | ||||
| 允许操作电压范围 | 100V AC~240V AC时:85V AC~264V AC、24V AC/DC时:20V AC/DC~28V AC/DC | ||||
| 绝缘电阻 | 500V DC 10MΩ以上 | ||||
| 耐电压 |
输入端子−电源端子间 输出端子−电源端子间 1.5kV AC 1分钟 |
||||
| 误动作振动 | 10Hz~55Hz(周期1分钟)单向振幅0.35mm(上下、左右、前后各方向10分钟) | ||||
| 耐久振动 | 10Hz~55Hz(周期1分钟)单向振幅0.75mm(上下、左右、前后各方向1小时) | ||||
| 误动作冲击 | X、Y、Z各方向5次 98m/s2 | ||||
| 耐久冲击 | X、Y、Z各方向5次 294m/s2 | ||||
| 使用环境温度 | -10℃~+55℃ | ||||
| 使用环境湿度 | 35%RH~85%RH(无凝露) | ||||
| 重量 | 约110g | ||||
| 防水性 | IP66(只在面板表面:使用胶垫时) | ||||
| 显示文字高度 |
PV:12.4mm SV:8.8mm |
||||
|
选 项 功 能 |
加热/冷却 控制 |
继电器触点 | 通过分配设定,可将警报输出EV2用作加热冷却控制 | ||
| 无触点电压 | - | ||||
| 加热器断线警报输出 | - | ||||
| 通信功能 | 参照下述的“通信性能概要”。 | ||||
|
附 件 |
安装支架/安装金具 | 随本体一起提供 | |||
| 端子盒盖 | 另售 | ||||
| 胶垫 | 随本体一起提供 | ||||
| 项目 | 规格 |
|---|---|
| 通信方式 | 半双重通信 |
| 通信速度 | 从9600、19200、38400bps中任一个用键操作选择 |
| 同步方式 | 起停同步 |
| 协议 | MODBUS(RTU、ASCII)、MEWTOCOL(从站) |
| 符号形式 | 二进制/ASCII |
| 错误订正 | 指令再送 |
| 错误检出 | 奇偶校验、校验和 |
| 数据构成 |
起始位:1 数据位:7、8(Modbus RTU仅为8) 奇偶校验:有(偶校验、奇校验)、无 停止位:1或2 |
| 接口 | 依据EIA RS-485 |
| 子站数 | 31站 |
| 最大通信距离 | 1,000m(连接线电阻50Ω以内) |
公差±1
|
|

扫一扫,关注我们