类别:静电消除器
全国咨询服务热线:0755-8376 0390 (10线)
消除静电的新款式
超小型·高性能静电消除器
|

UL
、CE
、CSA
已取得。
CE : EMC指令
UL, CSA : NRTL认证(Certified by TÜV SÜD America Inc.)(仅限ER-VS02)
|
![]() |
对针的前端实施球面加工,从而使前端形状不易因放电而发生经时变化,可更加稳定地生成离子。 |
提高离子生成能力的稳定性,还有助于提高维护周期。
将维护周期提高到1个月以上※。(※根据本公司规定的条件)
除簇射喷头、喷管等8种标准喷嘴外,还备有各种形状 的喷嘴(包括接单生产)。
|
|
本体具有的丰富功能,充分考虑到生产现场使用的简便性,且无需控制器。
|
可通过外部设备的输入信号使放电ON/OFF。可用传感器等检测工件,仅在需要使用时产生离子。 |
![]() |
|
放电的ON/OFF状态可通过LED指示灯确认。可预先避免电源ON但却没有放电的异常情况。 |
![]() |
|
放电针可从本体后部拔出,因此更换针时无需拆卸喷嘴。即使离子喷嘴靠近工件安装,也可简单进行维护。 |
![]() |
|
具有“检查功能”和“非正常放电监控功能”,能自动提示放电针的清洁、更换时期,可预防非正常放电导致的故障。各种功能都可以通过LED指示灯确认。并且还能利用各种功能的输出,从外部对静电消除器的工作状态进行监控。 |
![]() |
电源电压为24V DC,消耗电量仅为70mA以下。
此外,无需高压电缆可保证操作安全。
|
放电针未暴露在外,无需担心意外接触。此外,靠近金属物体时也不用担心漏电。 |
![]() |
(代表示例)
|
|
簇射喷嘴
|
直线型喷嘴
|
直线型喷嘴
|
|
|
![]() |
|
![]() |
|
|
|
|
|
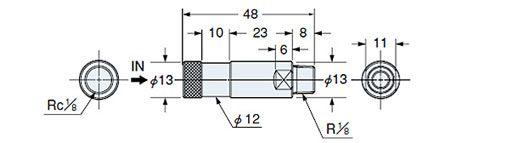
静电消除器本体不附带喷嘴和带连接器电缆。请务必另行订购喷嘴及带连接器电缆。
| 种类 | 形状 |
静电消除时间 (±1,000V→±100V) |
离子平衡 | 型号 |
|---|---|---|---|---|
| 焦点型 |
![]() ※照片为装有簇射喷嘴时的状态 |
1秒(注1) | ±10V以下(注1) |
ER-VS02
|
| (注1): |
使用电源电压为24V、距离送风口前部100mm、使用簇射喷嘴的情况下,外加压力为0.25MPa时的代表示例。 (从放置在相对湿度为65%RH以下空气中24小时以上的样例测得) |
|---|
静电消除器本体不附带喷嘴。请务必另行购买喷嘴。
| 品名 | 形状 | 型号 | 内容 | ||
|---|---|---|---|---|---|
| 簇射喷嘴 |
![]() |
ER-VAS | 空气扩散型。 | ||
| 直线型喷嘴 |
![]() |
ER-VAB020 | 静电消除有效长度200mm | 在直线型杆上,开有多个小孔。 | |
| ER-VAB032 | 静电消除有效长度320mm | ||||
| ER-VAB065 | 静电消除有效长度650mm | ||||
| 形状保持管 | 连接型喷嘴 |
![]() |
ER-VAJK | 静电消除器本体和形状保持管连接喷嘴。 | |
![]() |
ER-VAK10 | 管长112mm |
导管可轻松弯曲,并能保持弯曲形 状,因此无需固定。 (最小弯曲半径:R40mm) |
||
| ER-VAK30 | 管长312mm | ||||
| ER-VAK50 | 管长512mm | ||||
| 传导电子管 | 连接型喷嘴 |
![]() |
ER-VAJT-64 | 静电消除器本体和传导电子管连接喷嘴。 | |
![]() |
ER-AT50 | 管长500mm |
可任意弯曲。 可裁切及改变长度。 (最小弯曲半径:R15mm) |
||
静电消除器本体不附带带连接器电缆。请务必另行订购带连接器电缆。
| 形状 | 型号 | 内容 | |
|---|---|---|---|
![]() |
ER-VCCJ2 | 长度:2m、本体重量:约52g |
截面积为0.15mm2的8芯单侧带 连接器 橡皮电缆 电缆外径:φ4.2mm |
| ER-VCCJ5 | 长度:5m、本体重量:约120g | ||
| ER-VCCJ9 | 长度:9m、本体重量:约240g | ||
以下商品为生产终止预定品。
| ※ |
推荐替代品并不保证与生产终止品的规格保持一致。 使用时,请参照产品目录的详细规格进行确认。 |
|---|
| 生产终止(预定)品 | 推荐替代品 | |||||
|---|---|---|---|---|---|---|
| 商品名 | 订货产品号 | 终止时间 | 订货产品号 | 系列名 | 备注 | |
| 静电消除器 | ER-VS01 | 2013年9月30日 |
![]() |
ER-VS02 | 超小型静电消除器[高频AC方式] ER-V |
|
| 品名 | 型号 | 内容 | |
|---|---|---|---|
|
传导电子管 支座 |
ER-ATH | 固定传导电子管。 | |
|
小型管道 过滤器 |
ER-AF10 |
处理空气流量 40R/min.(ANR) |
除去供应空气中的灰尘等 固形物。 ・过滤微粒直径:0.1μm ・过滤效率:99.9% |
| ER-AF20 |
处理空气流量 80R/min.(ANR) |
||
| AC适配器 | ER-VAPS1 |
・IN:100~240V AC、50/60Hz、40VA ・OUT:24V DC、750mA ・使用环境温度:0~+40℃ |
|
| 放电针组件 | ER-VANT2 |
带钨针组件(1套) |
|
|
|
|
|||||||||
|
以下产品为已停产的产品。
| 已停产的产品 | 推荐替代品 | ||||||
|---|---|---|---|---|---|---|---|
| 商品名称 | 订货产品号 | 型号 | 停产日期 | 订货产品号 | 系列名称 | 备注 | |
| 放电针单元 | ER-VANT | ER-VANT | 2014年3月31日 |
![]() |
ER-VANT2 | 放电针单元 |
|
| 种类 | 焦点型 | ||
|---|---|---|---|
| 型号 | ER-VS02 | ER-VS01 | |
|
静电消除时间 (±1,000V→±100V) |
1秒以下(注2) | ||
| 离子平衡 | ±10V以下(注2) | ||
| 臭氧产生量 | 0.03ppm以下(注3) | ||
| 使用流体 | 空气(干燥的洁净空气)(注4) | ||
| 供应空气流量 | 500l/min. (ANR)以下(注5) | ||
| 耐压范围 | 0.05~0.7MPa(注5) | ||
| 电源电压 | 24V DC±10% | ||
| 消耗电流 | 70mA以下 | ||
| 放电方式 | 高频AC方式 | ||
| 放电输出电压 | 约2,000V | ||
| 检查输出(CHECK) |
NPN开路集电极晶体管 ・最大流入电流:50mA ・外加电压:30V DC以下(检查输出和0V之间) ・剩余电压:1V以下(流入电流为50mA时) |
||
|
|
输出动作 | 检测到放电针有污染或磨损等时ON,工作正常时OFF | |
| 短路保护 | 配备 | ||
| 故障输出(ERROR) |
NPN开路集电极晶体管 ・最大流入电流:50mA ・外加电压:30V DC以下(故障输出和0V之间) ・剩余电压:1V以下(流入电流为50mA时) |
||
|
|
输出动作 | 检测到非正常放电时OFF,工作正常时ON | |
| 短路保护 | 配备 | ||
|
放电停止输入 (DSC OFF)(注6) |
与0V短接:停止放电 断开:允许放电(动作开始) |
||
| 复位输入(RESET) | 检测到非正常放电而将放电电路断开时,通过与电源的0V短接后再断开,可重启放电电路。 | ||
|
指 示 灯 |
电源(POWER) | 绿色LED(通电时点灯) | |
| 放电(DSC) | 绿色LED(放电时点灯) | ||
| 检查(CHECK) | 橙色LED(检测到放电针上有灰尘或磨损时亮起) | ||
| 故障(ERROR) | 红色LED(检测到非正常放电时亮起) | ||
|
环 境 性 能 |
使用环境温度 | 0~+55℃(注意不可结露) | |
| 使用环境湿度 | 35~65%RH | ||
| 耐振动 | 频率10〜150Hz 双振幅0.75mm X,Y和Z方向各2小时 | ||
| 电缆 | 带连接器电缆,长0.5m | ||
| 材质 | 外壳:PPS、外罩:不锈钢、放电针:钨 | ||
| 重量 | 本体重量:约120g | ||
| 附件 | 接线用连接器[Molex生产:外壳(5557-08R)、端子(5556TL)] :1套 | ||
(注1):无指定时的测量条件为使用环境温度=+20℃。
(注2):使用电源电压为24V、距离送风口前部100mm、使用簇射喷嘴的情况下,外加压力为0.25MPa时的代表示例。(从放置在相对湿度为65%RH以下空气中24小时以上的样例测得)
(注3):使用电源电压为24V、距离送风口前部300mm、使用簇射喷嘴的情况下,外加压力为0.25MPa时的代表示例。
(注4):干燥的洁净空气是指经过空气干燥器(凝固点约为-20℃程度)和空气滤网(网眼大小月约为0.01μm)产生的空气。
(注5):使用压力范围依据使用的喷嘴而不同。
(注6):「DSC」为「DISCHARGE」的缩写。
| 种类 | 簇射喷嘴 | 直线型喷嘴200mm | 直线型喷嘴320mm | 直线型喷嘴650mm |
|---|---|---|---|---|
| 型号 | ER-VAS | ER-VAB020 | ER-VAB032 | ER-VAB065 |
| 使用压力范围 | 0.05~0.40MPa | |||
| 静电消除范围 | − | 200mm | 320mm | 650mm |
| 材质 | 不锈钢 | |||
| 附件 | 附件:1个、树脂导管:1根 | 附件:1个、树脂导管:1根、直线型喷嘴支座:1套 | ||
(注1):无指定时的测量条件为使用环境温度=+20℃。
|
| 种类 | 形状保持管连接喷嘴 | 导电子管连接喷嘴 |
|---|---|---|
| 型号 | ER-VAJK | ER-VAJT-64 |
| 气压范围 | 0.02~0.5MPa | 0.02~0.7MPa(最大外加压力因导管长度而异。参阅下图) |
| 材质 | 不锈钢 | 不锈钢 |
| 消耗空气流量 | 30~250l/min.(ANR) | 20~160ℓ/min.(ANR)(外加压力0.02~0.7MPa时) |
| 附件 | 附件(白色):1个、树脂导管:1根 | 附件(白色):1个、树脂导管:1根 |
(注1):无指定时的测量条件为使用环境温度=+20℃。
| 种类 | 形状保持管 | 导电性导管 | ||
|---|---|---|---|---|
| 型号 | ER-VAK10 | ER-VAK30 | ER-VAK50 | ER-AT50 |
| 导管长度 | 112mm | 312mm | 512mm | 500mm |
| 材质 | 导管内部:铝、导管外壳:高密度聚乙烯、端盖:不锈钢 | 聚氨脂 | ||
| 气压范围 | 0.02~0.5MPa | 0.02~0.7MPa | ||
| 最小弯曲半径 | R40mm以上 | R15mm以上 | ||
(注1):无指定时的测量条件为使用环境温度=+20℃。
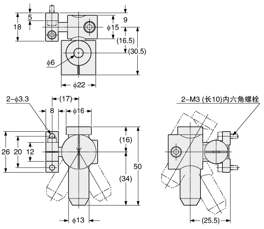
静电消除器本体
|
|
|
|
|
形状保持管(另售)
|
传导电子管(另售)
|
形状保持管连接喷嘴(另售)
|
小型管道过滤器(另售)
|
传导电子管连接喷嘴(另售)
|
小型管道过滤器(另售)
|
传导电子管支座(另售)
|
AC适配器(另售)
|

扫一扫,关注我们