类别:静电消除器
全国咨询服务热线:0755-8376 0390 (10线)
高速消除静电&对应无风电荷卸载
2016年6月追加耐热・耐寒型接头!
|
![]() |
![]() |
UL
、CE
、CSA
已取得。
CE : EMC指令
UL, CSA : NRTL认证(Certified by TÜV SÜD America Inc.)
ER-X系列不仅能对应用到压缩空气的“微风除电”、“高速除电※”,还可对应无需使用压缩空气的“无风除电”。
另外,还可连接2个接头,因此可用于各种除电用途的电荷卸载。
|
大量放出离子,从而可缩短除电时间。最适用于电子纸 和薄膜太阳能电池等,除电速度直接关系到单件工时生产性提高的用途。
即使是以往机型所无法对应的不足0.05MPa的区域,也可进行除电。由于几乎不存在空气引起的灰尘扩散,因此最适用于对清洁度要求较高的半导体和FPD(移动面板)等用途的除电。最适用于覆膜、引线框架等精密基板、微小部件的用途。
|
![]() |
配备自动控制离子平衡的功能感知因环境变化而发生变动的离子生成量,执行自动控制,通过反馈该变化量来保持已设定好的离子平衡。 |
![]() |
|
ER-X□HC
备有使用环境温度:-60~+200℃的棒型接头。
|
超小型窄长接头
彻底修改放电部分的结构,采用超小型窄长接头,从而实现高速除电※1同时兼顾维护性※2。 |
![]() |
前端采用扁平形状,便于清洁由于前端采用扁平形状,因此只需沿着沟槽刷扫,即可一并完成放电针和空气吹出口的清洁操作。 |
![]() |
采用放电针气密层结构,减少污染利用清洁空气来屏障放电针,从而可防止灰尘附着所造成的性能变差。另外,将放电针屏障用空气和离子搬运用空气分开,从而防止压力集中所造成的放电不稳定,高效地生成、搬运离子。 |
![]() |
考虑到充电电池等的制造工序,未使用铜质材料,也未进行电镀处理。将对异物混入的担心程度控制在最小限度。
组件化,可简单地更换放电针将放电针实现组件化(4根针一套),从而大幅简化更换操作。根据组件上的箭头向两侧滑动,即可简单地完成拆卸操作。 |
![]() |
※截止到2016年3月,根据本公司调查
由于采用脉冲AC方式,离子生成量多,能够释放出大量的离子,使其可以在短时间内完成除电操作。并且,作为ø15mm以下的焦点型静电消除器,实现0.3秒以下※2(±1,000V→±100V)最快速消除静电。
※1:焦点直径ø15mm以下
※2:截止到2016年3月,根据本公司调查
可调整空气供给口的角度■ER-X001的高电压组件部分 |
![]() |
|
使纸、部件等带电,然后吸着搬运的便利功能。
(注1):接头2通常不实行除电动作。
(注2):ER-X001不能使用带电功能。(停止放电放。)
|
|
| 组合使用 |
新型控制器 (注1) |
旧型控制器 (注1) |
||||
|---|---|---|---|---|---|---|
| 2016年4月以后生产部分 |
2014年4月生产部分~ 2016年3月生产部分 |
2014年3月以前生产部分 | ||||
![]() |
![]() |
![]() |
||||
|
接 头 |
定点型 | ER-X001 | 可以 | 可以 | 不可使用 | |
| 棒型 | ER-X008 | 可以 | 可以 | 不可使用 | ||
| ER-X016 | 可以 | |||||
| ER-X032 | ||||||
| ER-X048 | ||||||
| ER-X064 | ||||||
|
耐热・ 耐寒 |
ER-X008HC | 可 | 不可使用 | 不可使用 | ||
| ER-X016HC | 可以 | |||||
| ER-X032HC | ||||||
| ER-X048HC | ||||||
| ER-X064HC | ||||||
| (注1): | 新旧控制器的电源连接器针脚排列不同。详情请参阅与输入输出电路连接。 |
|---|
安装接头
|
| (注1): | 请务必对安装接头的装置机体进行接地处理。 |
|---|---|
| (注2): | 接头与除电对象物之间的距离请保持在30mm以上。除电对象物的带电量达到30kV以上时,请使安装距离保持在50mm以上。 |
| (注3): | 接头周围以及接头与除电对象物之间如存在金属,则离子会被吸收,无法适当地进行除电。安装接头时,请参照以下安装条件。 |
| (注4): | 侧面安装的情况下,请使放电频率保持在10Hz以上。 |
|
| (注5): | 并排安装2个以上的接头时,请设为相同的频率,并按照以下方法设置间隔。如使用不同的频率,则相对安装、平行安装时均请保留400mm以上的间隔。 |
|---|
|
安装高电压组件
|
|
![]() |
安装控制器
|
|
|
|
|
| (注1): | 将套管插入本产品的接头时,请务必将套管插入到底部,并确认是否插紧。如未将套管插入到底部,则会造成漏气。 |
|---|
|
|
|
|
|
|
|
|
|
|
|
|
|
接头中不附带接头、连接线缆,请另行订购。
| 种类 | 形状 |
除电时间 (±1,000V→ ±100V) |
离子平衡 | 有效除电幅度 | 型号 | |
|---|---|---|---|---|---|---|
| 焦点型 |
![]() |
0.3秒以下 (注1)、 0.5秒以下 (注2) |
±30V以下 (注2) (注3) |
约50mm |
ER-X001 (注4) |
|
| 棒型 |
![]() |
1秒以下 (注2) |
约80mm |
ER-X008 (注4) |
||
|
耐热・ 耐寒 |
![]() ER-X008HC (注5) |
|||||
![]() |
约160mm |
ER-X016 (注6)(注7) |
||||
|
耐热・ 耐寒 |
![]() ER-X016HC (注5) |
|||||
![]() |
约320mm |
ER-X032 (注6)(注7) |
||||
|
耐热・ 耐寒 |
![]() ER-X032HC (注5) |
|||||
![]() |
约480mm |
ER-X048 (注6) |
||||
|
耐热・ 耐寒 |
![]() ER-X048HC (注5) |
|||||
![]() |
约640mm |
ER-X064 (注6) |
||||
|
耐热・ 耐寒 |
![]() ER-X064HC (注5) |
|||||
| (注1) | 除电距离50mm、产品中央、放电频率50Hz、空气60ℓ/min. (0.3MPa)条件下的代表示例。 |
|---|---|
| (注2) | 除电距离100mm(ER-X001は的除电距离为50mm)、产品中央、放电频率50Hz(耐热・耐寒型ER-X□HC的放电频率为30Hz)、无空气供给条件下的典型示例。 |
| (注3) | 离子平衡为正负的平均值。另外,规格值是在环境温度变化为±10℃的环境下,从开始放电经过30分钟后设定离子平衡,将离子平衡控制功能设为ON时使用的典型示例。 |
| (注4) |
在使用ER-X001和ER-X008的情况下,请务必使用升级后的新控制器ER-XC02(2014年4月以后生产的部分)。 新旧控制器的区分方法,请参考"使用注意事项"。 |
| (注5) |
耐热・耐寒型ER-X□HC的使用环境温度为:-60~+200℃。另外,请务必使用新控制器(2016年4月以后生产的部分)。 新旧控制器的区分方法,请参考"使用注意事项"。 |
| (注6) | 备有高电压电缆延长型(需要另售的专门控制器)。详细敬请垂询。 |
| (注7) | 备有硅材料放点针型。详细敬请垂询。 |
控制器中不附带电源线缆,请另行订购。
| 种类 | 形状 | 型号 | 接头连接台数 | 输出 |
|---|---|---|---|---|
| 标准型 |
![]() |
ER-XC02 | 最大2台 | PhotoMOS输出 |
接头中不附带接头、连接电缆,请另行订购。
| 形状 | 型号 | 内容 | |
|---|---|---|---|
![]() |
ER-XCCJ2H | 长度2m、本体重量:约80g |
两侧带连接器的 橡皮绝缘软电缆 |
| ER-XCCJ5H | 长度5m、本体重量:约190g | ||
| ER-XCCJ10H(注1) | 长度10m、本体重量:约560g | ||
| (注1): | 不能使用在耐热・耐寒型ER-X□HC中。 |
|---|
| 品名 | 型号 | 内容 | |
|---|---|---|---|
| 电源电缆 | ER-XCC2 | 长度2m、本体重量:约80g |
0.15mm2 芯带连接器的橡皮绝缘软电缆 电缆外径:Ф5.3mm |
| ER-XCC5 | 长度5m、本体重量:约190g | ||
| AC适配器 | ER-XAPS |
IN:100~240V AC、50/60Hz OUT:24V DC、1.5A 使用环境温度:0~+40℃ 连接器-AC适配器之间的电缆长度:1.8m F.G.线长:3.7m AC电缆:1本、长度1.8m、额定值125V AC(注1) 配线连接器用端子:6个 |
|
| 放电针组件 | ER-XANT | 带更换用钨针的组件:1个 | |
| ER-XANT1 |
带更换用钨针的组件:1个 ER-X001专用 |
||
| ER-XANT2 |
带更换用钨针的组件:1个 ER-X008专用(注2) |
||
![]() ER-XANTHC |
带更换用钨针的组件:1个 ER-X016HC/X032HC/X048HC/X064HC用 |
||
![]() ER-XANT2HC |
带更换用钨针的组件:1个 ER-X008HC专用 |
||
| 放电部保护盖 | ER-XACVR |
ER-X016/X032/X048/X064用。(注2) 在接头ER-X□上安装可防止放电针带来的触点感。2枚1套。(注3) 材质:树脂、重量:约20g(1套) ※ 接头ER-X□的除电性能不会因安装了放电部保护盖而受到影响。 |
|
| (注1) | AC电缆的额定值是125V AC。如果使用的电压超过125V,请另行准备合适的电缆。 |
|---|---|
| (注2) | 不能在耐热・耐寒型ER-X□HC中使用。 |
| (注3) |
必要套数根据接头的机种而有差异。 |
|
接头型号 |
ER-X016 |
ER-X032 |
ER-X048 |
ER-X064 |
|---|---|---|---|---|
|
必要套数 (2枚1套) |
1套 | 2套 | 3套 | 4套 |
|
|
|
|
|
|||||||||
ER-XACVR
|
| 种类 | 焦点型 | 棒型 | ||||
|---|---|---|---|---|---|---|
| 型号 | ER-X001 | ER-X008 | ER-X016 | ER-X032 | ER-X048 | ER-X064 |
| 有效除电宽度 | 约50mm | 约80mm | 约160mm | 约320mm | 约480mm | 约640mm |
|
除电时间 (±1,000V→±100V) |
0.3秒以下(注1)、 0.5秒以下(注2) |
1秒以下(注2) | ||||
| 离子平衡 | ±30V以下(注2)(注3) | |||||
| 放电方式 | 脉冲AC方式 | |||||
| 放电频率 | 50Hz/20Hz |
50Hz/30Hz/20Hz /10Hz/5Hz/1Hz |
100Hz/70Hz/50Hz/30Hz/20Hz/ 10Hz/5Hz/1Hz(注4) |
|||
| 放电输出电压 | 约±7,000V | |||||
| 臭氧产生量 | 0.01ppm以下(注2) | |||||
| 最大空气压力 | 0.5MPa | |||||
| 使用流体 | 空气(干燥的清洁空气)(注5) | |||||
| 使用海拔高度 | 2,000m以下(注6) | |||||
| 使用环境温度 | 0~+50℃(ER-X001为0~+40℃)(但应无凝露)、保存时:-10~+65℃ | |||||
| 使用环境湿度 | 35~65%RH、保存时:35~85%RH | |||||
| 耐振动 | 耐久频率10~55Hz(ER-X001耐久频率为10~150Hz) 双振幅0.75mm(MAX. 50m/s2) XYZ各方向2小时 | |||||
| 耐冲击 | 耐久频率100m/s2(约10G) XYZ各方向3回 | |||||
| 外壳接地方式 | 浮动接地 | |||||
| 材质 |
接头本体外壳:SUS、 接头安装配件:SUS、 放电针组件:PFA和钨 |
接头本体外壳:PPS和SUS、接头安装配件:SUS、 放电针组件:PC、PPS和钨(注7) |
||||
| 高电压电缆长度 | 1.2m | 0.5m | 0.5m(注4) | |||
| 重量 |
本体重量: 约370g |
本体重量: 约330g |
本体重量: 约410g |
本体重量: 约530g |
本体重量: 约650g |
本体重量: 约780g |
| 附件 | 接头安装配件(出厂时已安装) | |||||
| 种类 | 耐热・耐寒型 | ||||
|---|---|---|---|---|---|
| 型号 | ER-X008HC | ER-X016HC | ER-X032HC | ER-X048HC | ER-X064HC |
| 有效除电宽度 | 约80mm | 约160mm | 约320mm | 约480mm | 约640mm |
|
除电时间 (±1,000V→±100V) |
1秒以下(注2) | ||||
| 离子平衡 | ±30V以下(注2)(注3) | ||||
| 放电方式 | 脉冲AC方式 | ||||
| 放电频率 | 30Hz(注8) | ||||
| 放电输出电压 | 约±7,000V | ||||
| 臭氧产生量 | 0.01ppm以下(注2) | ||||
| 最大空气压力 | 0.1MPa | ||||
| 使用流体 | 空气(干燥的清洁空气)(注5) | ||||
| 使用海拔高度 | 2,000m以下(注6) | ||||
| 使用环境温度 |
接头:-60~+200℃(但应无凝露)(注9)、保存时:-10~+65℃、 高电压组件:0~+50℃(但应无凝露)、保存时:-10~+65℃ |
||||
| 使用环境湿度 | 35~65%RH、保存时:35~85%RH | ||||
| 耐振动 | 耐久频率10~55Hz 双振幅0.75mm(MAX. 50m/s2) XYZ各方向2小时 | ||||
| 耐冲击 | 耐久频率100m/s2(约10G) XYZ各方向3次 | ||||
| 外壳接地方式 | 浮动接地 | ||||
| 材质 |
接头本体外壳:PPS和SUS、接头安装配件:SUS、放电针组件:PPS和钨、 高电压组件本体外壳:ABS |
||||
| 高电压电缆长度 | 耐热屏蔽电缆1.8m | ||||
| 重量 |
本体重量: 约420g |
本体重量: 约490g |
本体重量: 约620g |
本体重量: 约760g |
本体重量: 约900g |
| 附件 | ø6-4空气管用接头:1个、密封盖:1个、接头安装配件(出厂时已安装) | ||||
| (注1): | 除电距离50mm、产品中央、放电频率50Hz、空气60ℓ/min.(0.3MPa)条件下的代表示例。 |
|---|---|
| (注2): | 除电距离100mm(ER-X001为除电距离50mm)、产品中央、放电频率50Hz(耐热・耐寒型ER-X□HC放电频率30Hz)、无空气供给条件下的典型示例。 |
| (注3): | 离子平衡为正负的平均值。另外,规格值是在环境温度变化为±10℃的环境下,从开始放电经过30分钟后设定离子平衡,将离子平衡控制功能设 为ON时使用的典型示例。 |
| (注4): | 也备有高电压电缆1m型/2m型。高电压电缆1m型/2m型的放电频率为50Hz/30Hz/20Hz/10Hz/5Hz/1Hz。详情情况,敬请垂询。 |
| (注5): | 干燥的清洁空气是指经过空气干燥器(结露温度为-20℃左右)、空气过滤器(网眼尺寸为0.01μm左右)处理的空气。 |
| (注6): | 请勿在加压至海拔0m的大气压以上的环境下使用或保存。 |
| (注7): | 也备有硅针型(ER-X□S、ER-XANS)。详情情况,敬请垂询。 |
| (注8): | 使用时请将放电频率设置为30Hz。请勿使用其他频率。 |
| (注9): | 高温下使用时,接头可能会发生变色,但对除电性能没有影响。 |
为保护高电压组件,安装时请如下图所示空出500mm以上的常温区域。
|
| 种类 | 控制器 | |
|---|---|---|
| 型号 | ER-XC02 | |
| 接头连接台数 | 最大2台 | |
| 电源电压 | 24V DC±10% | |
| 消耗电流 | 连接1台接头时:450mA以下、连接2台接头时:800mA以下 | |
| 指示灯 | 显示接头1、接头2的状态 | |
| 放电(DSC) | 绿色LED(放电时亮灯) | |
| 确认(CHECK) | 橙色LED(检测到放电针的污渍、磨耗等时亮灯) | |
| 错误(ERROR) | 红色LED(检测到异常放电时亮灯) | |
| 电平指示仪 | 绿色LED(5个阶段。根据带电量或者离子产生量亮灯,利用开关进行切换) | |
|
输出 [报警(ALARM) 错误(ERROR) 公共端(COM)] |
PhotoMOS输出 • 最大负载电流:100mA • 外加电压:30V DC以下(输出-输出公共端之间) • 剩余电压:1.5V以下(负载电流100mA下) |
|
| 输出动作 |
报警(ALARM):检测到放电针的污渍、磨耗时置ON、正常时置OFF 错误(ERROR):检测到异常放电时置OFF、正常时置ON |
|
| 短路保护 | 配备(自动复位式) | |
|
放电控制输入 (DSC OFF) |
允许放电:开放、停止放电:24V或者0V短路时 | |
| 污损度 | 2 | |
| 过电压种类 | I | |
| 使用标高 | 2,000m以下(注1) | |
| 使用环境温度 | 0~+50℃(但应无结露)、保存时:-10~+65℃ | |
| 使用环境湿度 | 35~65%RH、保存时:35~85%RH | |
| 耐电压 |
AC1,000V 1分钟 整个充电部 ·外壳之间 AC500V 1分钟 充电部·F.G.间 |
|
| 绝缘电阻 | DC250V兆欧下20MΩ以上 整个充电部 ·外壳之间 | |
| 耐振动 | 耐久频率10~150Hz 双振幅0.75mm XYZ各方向2小时 | |
| 耐冲击 | 耐久频率100m/s2(约10G) X、Y、Z各方向3次 | |
| 外壳接地方式 | 浮动接地 | |
| 材质 | 外壳:ABS | |
| 重量 | 本体重量:约130g | |
| 附属品 |
电源·输入/输出连接用连接器:1套(机壳5557-10R、端子5556TL[日本MOLEX(株)生产]) 接地线(约3.7m):1根 |
|
| (注1): | 在加压了标高0m的大气压以上的环境中不能使用或者保存。 |
|---|
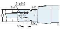
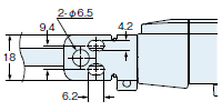
接头
|
|
|
接头
|
|
| 型式名 | A | B | C | D | (E) |
|---|---|---|---|---|---|
| ER-X008HC | 40 | 106 | 138 | 150 | 163 |
| ER-X016HC | 120 | 194 | 226 | 238 | 251 |
| ER-X032HC | 280 | 354 | 386 | 398 | 411 |
| ER-X048HC | 440 | 514 | 546 | 558 | 571 |
| ER-X064HC | 600 | 674 | 706 | 718 | 731 |
接头
|
控制器
|
连接接头的电缆
|
・长度L
| 型号 | 长度L |
|---|---|
| ER-XCCJ2H | 2,000 |
| ER-XCCJ5H | 5,000 |
| ER-XCCJ10H | 10,000 |
电源电缆(另售)
|
・长度L
| 型号 | 长度L |
|---|---|
| ER-XCC2 | 2,000 |
| ER-XCC5 | 5,000 |
AC适配器(另售)
|

扫一扫,关注我们